Aviation fuel Equipment | Smart Jet Engineering SmartJetEng: Elevate your aviation fuel equipment standards. Unmatched quality and reliability for seamless operations in the skies.

PROCESS HAZARD ANALYSIS (PHA)

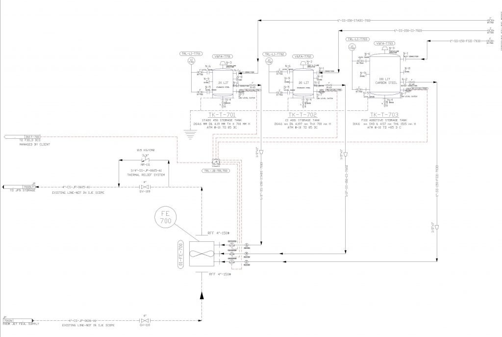
Image

PROCESS HAZARD ANALYSIS (PHA)

We Carry out the following services:

  • Hazard and Operability Study (HAZOP)
  • Hazard Identification Study (HAZID)
  • Bow-Tie Analysis
  • What-If Analysis
  • Quantitative Risk Assessment (QRA).
  • We prepare the Hazard Area Classification (HAC) Diagrams.